中华人民共和国农业农村部公告第674号
根据《农业机械试验鉴定办法》(农业农村部令2018年第3号)的规定,现将我部新制定的《再生水稻收获机》农业机械推广鉴定大纲予以发布,自发布之日起实施。
特此公告。
附 件:《农业机械推广鉴定大纲 再生水稻收获机》DG/T 297—2023
农业农村部
2023年5月31日
农业机械推广鉴定大纲
再生水稻收获机
( DG/T 297—2023 )
1 范 围
本大纲规定了再生水稻收获机推广鉴定的鉴定内容、方法和判定规则。
本大纲适用于全喂入履带自走式再生水稻收获机(以下简称收获机)的推广鉴定。
2 规范性引用文件
下列文件对于本文件的应用是必不可少的。凡是注日期的引用文件,仅注日期的版本适用于本文件。凡是不注日期的引用文件,其最新版本(包括所有的修改单)适用于本文件。
- GB 10396 农林拖拉机和机械、草坪和园艺动力机械 安全标志和危险图形 总则
3 术语和定义
下列术语和定义适用于本文件。
3.1 再生水稻收获机
用于再生水稻头季收获作业的收获机。
4 基本要求
4.1 需补充提供的材料
除申请时提交的材料之外,需补充提供以下材料:
a)产品规格表(见附录A);
b)样机彩色照片(左前方45°、右前方45°、正后方、产品铭牌各1张);
c)配套发动机符合国家环保部门要求的排气污染物检验报告复印件或环保信息社会公开信息文件复印件;
d)主机型用户名单(内容至少应包括购买者姓名、通讯地址、联系电话、产品型号名称、购机时间、出厂编号、生产日期等,提供的用户应为作业100 h以上的,分布在3个主要使用(销售)区域,数量为大型机5户,中、小型机10户)。
以上材料需加盖制造商公章。涵盖机型提供a)、b)、c)项材料。
4.2 参数准确度及仪器设备
被测参数的准确度要求见表1。选用仪器设备的量程和准确度应与表1的要求相匹配。试验用仪器设备应经过计量检定或校准且在有效期内。
表 1 被测参数准确度要求
序号 |
被测参数名称 |
测量范围 |
准确度要求 |
|
1 |
质量 |
0 g~200 g | 0.2 g |
| 200 g~3000 g | 1 g | ||
| 3 kg~30 kg | 0.05 kg | ||
| 2 | 长度 | 0 m~5 m | 1 mm |
| ≥5 m | 1 cm | ||
| 3 | 时间 | 0 h~24 h | 1 s/d |
| 4 | 风速 | 0 m/s~10 m/s | 3% |
| 5 | 噪声 | 34 dB(A)~130 dB(A) | Ⅱ级 |
4.3 样机确定
样机由制造商无偿提供且应是12个月以内生产的合格产品。送样数量为2台,其中1台用于试验鉴定,另1台备用。样机由制造商按约定的时间送达指定地点。试验鉴定完成且制造商对鉴定结果无异议后,样机由制造商自行处理。在试验过程中,由于非样机质量原因造成试验无法继续进行时,可以启用备用样机重新试验。
当存在机型涵盖时,每种被涵盖机型由制造商各提供样机1台,用于一致性检查和部分项目检测,试验鉴定完成且制造商对鉴定结果无异议后,样机由制造商自行处理。
4.4 机型大小划分
收获机的机型大小按额定喂入量a进行划分,见表2。
表 2 机型大小划分
机具类型 |
大 型 |
中 型 |
小 型 |
|
额定喂入量a(kg/s) |
a≥4.0 | 1.5<a<4.0 |
a≤1.5 |
4.5 生产量和销售量
初次申请推广鉴定时,产品的生产量和销售量应符合表3的规定。涵盖机型的产销量不做要求。
表 3 生产量和销售量
机具类型 |
生产量(台) |
销售量(台) |
|
大型 |
≥5 |
≥5 |
|
中型、小型 |
≥10 |
≥10 |
4.6 机型涵盖
4.6.1 涵盖条件
4.6.1.1 喂入量相同的收获机,喂入方式、割台布置方式、滚筒布置方式及数量相同的机型,符合下列一项或多项条件的,可以进行涵盖(不允许反向涵盖):
a)驾驶室配置(封闭驾驶室、普通驾驶室、简易驾驶室、无驾驶室)可以进行涵盖,高配置机 型可以涵盖低配置机型,带驾驶室的机型可以涵盖不带驾驶室的机型;
b)自动卸粮的机型可以涵盖人工接粮的机型。
4.6.1.2 喂入量不同的收获机,若整机结构型式、配置相同,仅割台工作幅宽、发动机功率不同,喂入量大的机型可以涵盖喂入量小的机型,但大型机不能涵盖中型机、小型机,中型机不能涵盖小型机。
4.6.2 考核内容和要求
对被涵盖样机按5.1的规定进行一致性检查,按5.2.1的规定进行制动性能和噪声试验。检查和试验结果满足要求的,准予涵盖;否则,不予涵盖。
5 初次鉴定
5.1 一致性检查
5.1.1 检查内容和方法
一致性检查的项目、限制范围及检查方法见表4。制造商填报的产品规格表的设计值应与其提供的产品执行标准、产品使用说明书(含发动机使用说明书)和发动机环保证明等技术文件所描述的产品技术规格值相一致。对照产品规格表的设计值对样机的相应项目进行一致性检查。
表 4 一致性检查项目、限制范围及检查方法
序号 |
检查项目 |
限制范围 |
检查方法 |
| 1 | 型号名称 | 一致 | 核对整机铭牌 |
| 2 | 结构型式 | 一致 | 核对 |
| 3 | 整机质量 | 允许偏差为 5% | 测量 |
| 4 | 喂入量 | 一致 | 核对 |
| 5 | 作业小时生产率 | 一致 | 核对 |
| 6 | 配套发动机标定功率 | 一致 | 核对发动机铭牌 |
| 7 | 配套发动机标定转速 | 一致 | 核对发动机铭牌 |
| 8 | 整机外形尺寸(长×宽×高) | 允许偏差为 5% | 测量(包容样机最小长方体的长、宽、高) |
| 9 | 最小离地间隙 | 允许偏差为30 mm,且≥300 mm | 测量(测定履带间的机架、驱动箱、消声器等部件的最小离地间隙) |
| 10 | 割台布置方式 | 一致 | 核对 |
| 11 | 割台工作幅宽 | 允许偏差为 3% | 测量(两侧分禾器尖端的中心线距离) |
| 12 | 割刀型式 | 一致 | 核对 |
| 13 | 拨禾轮型式 | 一致 | 核对 |
| 14 | 留茬高度控制装置 | 一致 | 核对 |
| 15 | 脱粒机构布置方式 | 一致 | 核对 |
| 16 | 主脱粒滚筒数量 | 一致 | 核对 |
| 17 | 副脱粒滚筒数量 | 一致 | 核对 |
| 18 | 主脱粒滚筒型式 | 一致 | 核对 |
| 19 | 副脱粒滚筒型式 | 一致 | 核对 |
| 20 | 主脱粒滚筒外形尺寸(外径×长) | 允许偏差为 3% | 测量(外径:脱粒滚筒回转时外圆对应的直径;长度:脱粒滚筒端面距离) |
| 21 | 副脱粒滚筒外形尺寸(外径×长) | 允许偏差为 3% | |
| 22 | 凹板筛型式 | 一致 | 核对 |
| 23 | 复脱方式 | 一致 | 核对 |
| 24 | 风扇型式 | 一致 | 核对 |
| 25 | 风扇数量 | 一致 | 核对 |
| 26 | 履带型式 | 一致 | 核对 |
| 27 | 履带节距 | 一致 | 核对 |
| 28 | 履带节数 | 一致 | 核对 |
| 29 | 履带宽度 | 允许偏差为 3% | 测量 |
| 30 | 履带轨距 | 允许偏差为 3% | 测量(左、右履带中心面之间的距离) |
| 31 | 理论直行碾压率 | 一致 | 核对 |
| 32 | 粮箱容积 | 一致 | 核对 |
| 33 | 变速机构型式 | 一致 | 核对 |
| 34 | 制动器型式 | 一致 | 核对 |
| 35 | 茎秆切碎器型式 | 一致 | 核对 |
| 36 | 茎秆抛撒器型式 | 一致 | 核对 |
| 37 | 北斗智能监测终端与辅助驾驶系统 | 一致 | 核对 |
| 38 | 机收损失率监测装置 | 一致 | 核对 |
| 39 | 驾驶室类型 | 一致 | 核对 |
| 40 | 卸粮方式 | 一致 | 核对 |
| 注:履带张紧度在适中位置,割台置于安全锁定位置,所有可活动的工作部件均置于收起(使样机外形尺寸最小)位置。 | |||
5.1.2 判定规则
一致性检查的全部项目结果均满足表4要求时,一致性检查结论为符合大纲要求;否则,一致性检查结论为不符合大纲要求。
5.2 安全性评价
5.2.1 安全性能
5.2.1.1 驻车制动
变速器置于空挡,发动机熄火,保持时间不少于5 min,收获机能可靠地停在25%的干硬纵向坡道上。收获机上下坡方向各试验1次。
5.2.1.2 驾驶员操作位置处噪声
测试场地应为平坦的土地或矮草地。在离测区中心半径25 m范围内,不得有大的噪声反射物。离地表1.2 m处的平均风速应不大于3 m/s。测试期间背景噪声应比测量噪声级至少低10 dB(A)。测试时,发动机在额定转速下运转,收割部件全部空运转。如果装有驾驶室,应关闭门窗。驾驶员身高175 cm±5 cm,坐在座椅中间位置,传声器应置于距驾驶员头部垂直中心面250 mm±20 mm处,传声器轴线应水平,膜片朝前,传声器中心高度及前后位置与驾驶员眼睛成直线,声级计采用A计权慢档进行测量。在机器运转稳定状态下,左右两侧各进行3次测量,每次间隔时间不小于5 s,同侧3次连续测量的读数差应在3 dB(A)以内,取左右两侧6次测量的算术平均值作为测量结果。封闭驾驶室应不大于85 dB(A);普通驾驶室应不大于93 dB(A);无驾驶室或简易驾驶室应不大于95 dB(A)。
5.2.2 安全防护
5.2.2.1 防护装置应满足以下要求:
a)各传动轴、带轮、齿轮、链轮、传动带和链条等外露运动件应有防护装置,风扇进风口、割刀端部等操作者能意外触及的部位,暴露在外的液压软管、管路及其附件应有防护装置;
b)排气管根部以后至消声器间应有全覆盖的隔热措施;
c)散热器外侧应设有网罩等防护装置,防止散热芯被颖糠、茎秆堵塞;
d)对散热器等特殊部位需用网眼防护的,其网眼内切圆直径应不大于4 mm,防护距离应不小于2 mm。
5.2.2.2 驾驶室紧急出口应满足以下要求:
a)驾驶室至少应有两个在不同面上的紧急出口(含驾驶室门道);
b)紧急出口横截面应至少能包容一个640 mm×440 mm的椭圆;
c)驾驶室前风挡玻璃必须采用安全玻璃,玻璃上应有CCC标志;
d)使用安全玻璃作为紧急出口的,应在便于取卸的位置配备能敲碎玻璃的工具。
5.2.2.3 所有手动操纵装置周围应有最小25 mm的间隙。
5.2.2.4 操作者坐在座位上,手或脚触及范围内不应有剪切或挤压部位,钣金件不能有锐角。
5.2.2.5 收获机结构上应保证工作部件在未接合的状态下,发动机才能被启动,脱粒离合手柄在“合”位置时,不能启动发动机。发动机应有可以停机并保持停机状态的装置;应有防止意外启动的措施。
5.2.2.6 燃油箱与发动机排气管之间的距离应不小于300 mm,距裸露电气接头及电器开关200 mm以上。作业结束检查排气弯管处应无草屑堆积现象。
5.2.2.7 废气排放口的位置和方向应避开驾驶员和机器上的其他操作者。
5.2.2.8 工作位置的梯子应满足以下要求:
a)梯子的结构应能防止形成泥土层;
b)梯子斜度应保证从梯子上下来时,向下可以看到下一级梯子踏板外缘;
c)脚踏板宽度≥300 mm;
d)脚踏板深度:梯子后面有封闭板的≥150 mm,无封闭板的≥200 mm。
5.2.2.9 扶手/扶栏应满足以下要求:
a)门道梯子两侧应设置扶手或扶栏,以使操作者与机器始终保持3处接触;
b)扶手/扶栏的横截面尺寸为25 mm~35 mm;
c)扶手/扶栏后侧最小放手间隙为50 mm。
5.2.2.10 割台传动系分离机构应具有防止意外接合的结构。
5.2.2.11 应设置将割台保持在提起位置的锁定装置。
5.2.2.12 粮箱分配螺旋输送器应满足以下要求:
a)粮箱盖不应作为安全装置,除非粮箱盖打开时,由连锁装置使螺旋输送器停止运转;
b)粮箱的分配螺旋输送器出口应安装防护装置。
5.2.2.13 悬挂式茎秆切碎器应满足以下要求:
a)茎秆切碎器的动力传动系在脱粒机构分离时也应分离;
b)刀片顶点回转圆周围应至少有850 mm的安全距离。如果防护装置的下边缘离水平地面的高度小于1100 mm,850 mm可减至550 mm。
5.2.2.14 蓄电池的非接地端应进行防护,以防止与其意外接触及与地面形成短路。
5.2.2.15 收获机至少应安装作业照明灯2只,1只照向割台前方,1只照向卸粮区。最高行驶速度大于10 km/h的收获机还应安装前照灯2只、前位灯2只、后位灯2只、前转向信号灯2只、后转向信号灯2只、倒车灯2只、制动灯2只。
5.2.2.16 收获机应装有柴油机机油压力、转速、水温、蓄电池充电电流等指示装置、堵塞报警或监视装置,带自卸粮箱的机型应设置粮箱谷满报警器。收获机应安装2只后视镜和倒车喇叭。收获机割台两端应粘贴反光标识。机器后部应按要求设置后反射器。
5.2.3 安全信息
5.2.3.1 割刀、割台螺旋输送器、拨禾轮、茎秆切碎器、驾驶台、脱粒机体外壳、茎秆夹持链、螺旋输送器检查口、粮箱、排草口、加油口、排气管消声器出口等对操作者存在或有潜在危险的明显部位应设置永久性安全警示标志。安全警示标志应符合GB 10396的规定。安全警示标志应在使用说明书中复现,并说明其设置位置。操作者关键操纵装置附近应粘贴适合操作者操作的文种的操作符号。
5.2.3.2 使用说明书应对有关安全注意事项进行说明,至少应包括:
a)安全操作注意事项;
b)收割或切割装置等位置处会出现与其功能相关剪切危险的提示;
c)割台固定机构使用方法;
d)茎秆切碎器后不得站人;
e)进入粮箱的危险;
f)人工转动滚筒专用工具的放置位置和使用方法说明;
g)给出灭火器使用方法及放置位置;
h)蓄电池的维护或更换信息;
i)千斤顶作用点位置信息。
5.2.3.3 整机出厂编号应打印在机架上,对无机架的应打印在在不能拆卸的部件上,易见且易于拓印的部位。两端应打印起止标记。打印的具体位置应在产品使用说明书中指明。
5.2.3.4 发动机型号应打印(或铸造)在气缸体易见部位,出厂编号应打印在气缸体易见且易于拓印部位,两端应打印起止标记。
5.2.3.5 承受交变载荷的滚筒纹杆螺栓或齿杆与辐盘螺栓、滚筒轴承座螺栓、轮辋螺栓、刀杆曲柄螺栓、柴油机紧固螺栓、茎秆切碎刀片定螺栓强度应不低于8.8级,螺母不低于8级。
5.2.3.6 应设置号牌座或有号牌安装位置。
5.2.4 安全装备
5.2.4.1 在易于取卸的位置上配备有效的灭火器,并在使用说明书中说明灭火器是操作者首先考虑到的保护工具,说明其使用方法及放置位置。
5.2.4.2 如果在人工转动脱粒机构进行清理时,需要使用特殊工具,该工具应随机提供,并在使用说明书中给出该工具的使用方法。
5.2.4.3 割台搅龙和输送槽应有反转机构。
5.2.5 判定规则
安全性能、安全防护、安全信息、安全装备均满足要求时,安全性评价结论为符合大纲要求;否则,安全性评价结论为不符合大纲要求。
5.3 适用性评价
5.3.1 评价方法
适用性评价采用选点试验与用户适用性意见相结合的方法进行。根据制造商所明示的适用范围,选取1个有代表性作业条件的地块进行性能试验,在3个主作业区域进行适用性用户意见调查。
5.3.2 评价内容
评价内容包括含杂率、破碎率、总损失率、割茬高度合格率、平均接地压力、理论直行碾压率、秸秆粉碎长度合格率、秸秆抛撒不均匀度(秸秆定向抛撒合格率)等作业性能和用户适用性意见。
5.3.3 作业性能试验
5.3.3.1 试验条件
试验选择在切割线以上无杂草、作物直立的地块内进行。作物条件应满足草谷比1.0~2.8,籽粒含水率20%~35%。在试验前后各测1次环境温度和相对湿度,记录其范围值。记录种植方式。试验田块应符合当地农艺要求,长度不少于40 m。测区长度为20 m,宽度满足不少于3个作业行程要求。
5.3.3.2 样机状态
样机的技术状态应符合产品使用说明书要求。驾驶员操作技术熟练。
5.3.3.3 试验要求
记录作物品种、成熟期,分3个区域,每个区域随机选取5株,测定自然直立高度,取平均值。籽粒含水率测3次,取平均值。
试验时的喂入量应满足额定喂入量要求,且不大于额定喂入量的1.5倍。试验时,调整割台高度使割茬达到该品种再生稻留茬高度,在使用说明书规定的作业速度下满割幅作业,接取测试行程内的出粮口及各排草、排杂口排出物,分别称重记录,记录通过测区的时间。
在测区中等间隔取3个测点,沿机组前进方向捡取1 m长度乘工作幅宽面积内落地籽粒,并从出粮口排出物中取3个不少于1000 g的小样,用于含杂率、破碎率、千粒质量检测。
5.3.3.4 试验方法
选择产品使用说明书中明示的2个主要作业挡位或2个不同作业速度(无级变速机型试验应选择标准挡的中挡附近两种作业速度)对样机进行作业性能试验,按公式(1)、(2)、(3)、(4)、(5)、 (6)、(8)、(9)、(10)、(13)、(14)、(15)、(16)、(17)、(18)和(19)分别计算每个试验行程的作业速度、喂入量、测区内平均产量、含杂率、破碎率、脱粒机体损失率、割台损失率、总损失率、割茬高度合格率、草谷比、平均接地压力、理论直行碾压率、秸秆粉碎长度合格率、秸秆抛撒不均匀度和秸秆定向抛撒合格率等指标,记录并报告2个测试行程的检测结果。
a)作业速度
?=3.6×(?/?)………………………………………………………………(1)
式 中:
- ? ——作业速度,单位为千米每小时(km/h);
- ? ——测定区长度,单位为米(m);
- ? ——通过测定区的时间,单位为秒(s)。
b)喂入量
?=??/?………………………………………………………………(2)
式 中:
- ? ——喂入量,单位为千克每秒(kg/s);
- ??——通过测定区时接取的籽粒、茎秆和清选排出物的总质量,单位为千克(kg)。
c)测区内平均产量
?=10?/?L……………………………………………………………(3)
式 中:
- ? ——测区内平均产量,单位为千克每公顷(kg/hm2);
- ? ——接样区内所接籽粒总质量,单位为克(g);
- ?——平均实际割幅,单位为米(m)。
d)含杂率
??=(?XZ / ?XI)×100%……………………………………………………(4)
式 中:
- ??——含杂率;
- ???——出粮口取小样中杂质质量,单位为克(g);
- ?XI——出粮口取小样质量,单位为克(g)。
e)破碎率
??=(?? / ??)×100%……………………………………………………………(5)
式 中:
- ??——破碎率;
- ??——出粮口取小样中破碎籽粒质量,单位为克(g);
- ??——出粮口取小样籽粒质量,单位为克(g)。
f)脱粒机体损失率
??=[(??+??+??)/?]×100%…………………………………………………(6)
?=??(1−??)+??+??+??………………………………………………………(7)
式 中:
- ??——脱粒机体损失率;
- ??——未脱净损失籽粒质量,单位为克(g);
- ??——分离损失籽粒质量,单位为克(g);
- ??——清选损失籽粒质量,单位为克(g);
- ??——出粮口排出籽粒及混合物质量,单位为克(g)。
g)割台损失率
??=??s(?×?)/?×100%………………………………………………………(8)
式 中:
- ??——割台损失率;
- ??s——割台每平方米实际损失量,单位为克(g)。
h)总损失率
?=??+??……………………………………………………………………(9)
式 中:
- ? ——总损失率。
i)割茬高度合格率
在测区内,沿机组前进方向每隔2 m左、右两侧各测1个点,共测11次,测量割茬切口至地面的高度,割茬高度满足当地农艺要求高度±3 cm为合格。按公式(10)计算。
?=?ℎ/??×100%…………………………………………………………(10)
式 中:
- ? ——割茬高度合格率;
- ?ℎ——割茬高度合格数;
- ??——割茬高度测量总数。
j)草谷比
按公式(11)的近似方法进行计算。
? =(??q + ??×??)/ ? …………………………………………(11)
式 中:
- ? ——测区草谷比;
- ??q ——接样区内所接分离及清选排出物质量,单位为克(g)。
k)平均接地压力
测定收获机的质量和行走装置接地面积,其比值即为整机对土壤的平均接地压力。测定质量时,发动机加满油、水,驾驶员按65 kg计算,粮箱清空。在场地上测定履带的接地长度(第一支重轮中心到张紧轮中心垂线的水平距离)和履带宽度,按公式(12)、(13)计算。
S?d = ??×??………………………………………………………………(12)
? =??j /2Sjd×98…………………………………………………………(13)
式 中:
- S?d ——行走装置接地面积,单位为平方厘米(cm²);
- ??——履带接地长度,单位为厘米(cm);
- ??——履带接地宽度,单位为厘米(cm);
- ? ——平均接地压力,单位为千帕(kPa);
- ??j ——整机质量,单位为千克(kg)。
l)理论直行碾压率
履带的总接地宽度与割台宽度的比值。
?=2?? /??×100%…………………………………………………………(14)
式 中:
- ? ——理论直行碾压率;
- ?? ——割台宽度,单位为厘米(cm)。
m)秸秆粉碎长度合格率
在测区内机组前进方向等间隔选择3个点,将割幅方向进行左、中、右3等分,测定各等分段0.5 m长度内秸秆质量及合格长度秸秆质量(秸秆切碎长度不大于10 cm),按公式(15)、(16)计算。
??i = ??i /??i×100%………………………………………………………(15)
?? = ∑ni=1 ??i /?……………………………………………………………(16)
式 中:
- ??i ——i测点秸秆粉碎长度合格率;
- ?bi ——i测点合格长度秸秆总质量,单位为克(g);
- ?zi ——i测点采样质量,单位为克(g);
- ??——秸秆粉碎长度合格率;
- ?——样本量。
n)秸秆抛撒不均匀度(适用时)
在测区内机组前进方向等间隔选择3个点,将割幅方向进行左、中、右3等分,测定各等分段0.5m长度内秸秆质量,按公式(17)、(18)计算。

式 中:
- ??——测定区内各点采样平均质量,单位为克(g);
- ??y——秸秆抛撒不均匀度。
o)秸秆定向抛撒合格率(适用时)
在测区内机组前进方向等间隔选择3个长度为1 m的点,再在这3个点内两侧等间隔选取5个点,分别测定收获机排出秸秆两侧覆盖非碾压稻茬的宽度,单侧覆盖长度不大于5 cm为合格。按公式(19)计算。
? = ?h /??×100%………………………………………………………(19)
式 中:
- ? ——定向抛撒合格率;
- ?h——定向抛撒合格数;
- ??——定向抛撒测量总数。
5.3.4 最小离地间隙
在水平良好路面(混凝土或沥青)上,将收获机割台升起,用钢直尺或其他线性尺寸测量装置测定履带间的机架、驱动箱、消声器等部件的最小离地间隙。
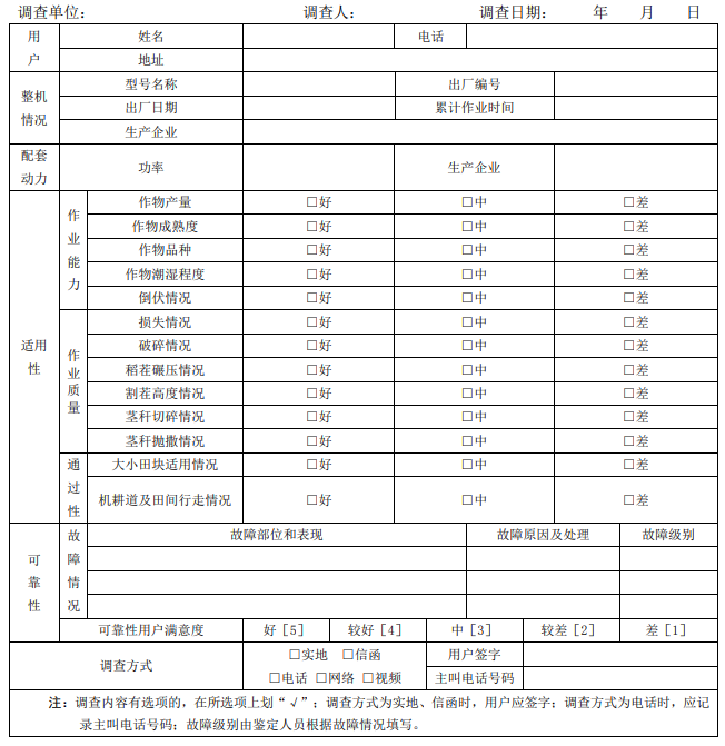
5.3.5 适用性用户意见
在制造商提供的用户名单中随机抽取5户进行适用性用户意见调查。调查可采用实地、信函、电话、网络、视频等方式之一或组合方式进行。调查内容见附录B。
5.3.6 判定规则
当作业性能试验结果均满足表5要求,且适用性用户意见调查结果中评价为“好”和“中”两项合计不小于调查总数的80%时,适用性评价结论为符合大纲要求;否则,适用性评价结论为不符合大纲要求。
5.4 可靠性评价
5.4.1 评价方法
可靠性评价采用生产查定与用户可靠性意见相结合的方法进行。
5.4.2 评价内容
评价内容包括生产查定的有效度和用户满意度。
5.4.2.1 有效度
对1台样机进行累计作业时间为18 h的生产查定。记录作业时间、调整保养时间、样机故障情况及排除时间,按公式(20)计算。在生产查定过程中,不允许发生导致机具功能完全丧失、危及作业安全、造成人身伤亡或重大经济损失的致命故障, 也不允许发生主要零部件或总成(如发动机,转向、制动系统,液压系统,脱粒滚筒,变速箱,离合器等)损坏、报废、导致功能严重下降、难以正常作业的严重故障。
? = ?? /(?? + ??)×100%…………………………………………………………(20)
式 中:
- ?——有效度;
- ??——样机的累计作业时间,单位为小时(h);
- ??——样机的累计故障排除时间,单位为小时(h)。
5.4.2.2 用户满意度
可靠性用户意见调查与适用性用户意见调查同时进行,按公式(21)计算。
![]()
式 中:
- ? ——用户满意度(百分制);
- ? ——调查的用户数;
- ?? ——第i个用户赋予的满意度分值(5分制)。
5.4.3 判定规则
5.4.3.1 有效度不小于98%,用户满意度不小于80分,且生产查定和用户调查中未发生本大纲 5.4.2.1 所述的严重故障、致命故障时,可靠性评价结论为符合大纲要求;否则,可靠性评价结论为不符合大纲要求。
5.4.3.2 在生产查定中如果发生本大纲 5.4.2.1所述的严重故障、致命故障,试验不再继续进行,可靠性评价结论为不符合大纲要求。
5.5 综合判定规则
5.5.1 一致性检查、安全性评价、适用性评价、可靠性评价为一级指标,其包含的各检查项目为二级指标。指标分级与要求见表5。
表 5 综合判定
一级指标 |
二级指标 |
|||
| 序号 | 项目 | 单位 |
要求 |
|
|
一致性检查 |
1 | 见表4 | / | 符合要求 |
|
安全性评价 |
1 | 安全性能 | / | 符合本大纲5.2.1的要求 |
| 2 | 安全防护 | / | 符合本大纲5.2.2的要求 | |
| 3 | 安全信息 | / | 符合本大纲5.2.3的要求 | |
| 4 | 安全装备 | / | 符合本大纲5.2.4的要求 | |
|
适用性评价 |
1 | 总损失率 | / | ≤2.6% |
| 2 | 含杂率 | / | ≤1.8% | |
| 3 | 破碎率 | / | ≤1.2% | |
| 4 | 割茬高度合格率 | / | ≥95% | |
| 5 | 平均接地压力 | kPa | ≤30 | |
| 6 | 理论直行碾压率 | / | ≤28% | |
| 7 | 秸秆粉碎长度合格率 | / | ≥90% | |
| 8 | 秸秆抛撒不均匀度(秸秆定向抛撒合格率) | / | ≤30%(≥90%) | |
| 9 | 最小离地间隙 | mm | ≥300 | |
| 10 | 用户适用性意见 | / | 调查结果为“好”和“中”的占比不小于 80% | |
|
可靠性评价 |
1 | 有效度 | / | ≥98% |
| 2 | 用户满意度 | / | ≥80分 | |
| 3 | 故障情况 | / | 在生产查定和用户调查中均未发生严重故障、致命故障 | |
5.5.2 一级指标均符合大纲要求时,推广鉴定结论为通过;否则,推广鉴定结论为不通过。
6 产品变更
6.1 通过推广鉴定的产品,在证书有效期内其产品结构和特征参数变化情形、变化幅度和要求见表6。
表 6 产品结构和特征参数的变化情形、变化幅度和要求
序号 |
项目 |
变化情形 |
变化幅度和要求 |
检查方法 |
| 1 | 型号名称 | 不允许变化 | / | / |
| 2 | 结构型式 | 不允许变化 | / | / |
| 3 | 配套发动机标定功率 | 允许变化 | 变化幅度≤10% | / |
| 4 | 配套发动机标定转速 | 允许变化 | 变化幅度≤5% | / |
| 5 | 整机外形尺寸(长×宽×高) | 允许变化 | 变化幅度≤10% | / |
| 6 | 最小离地间隙 | 允许变化 | 不允许变小 | / |
| 7 | 割台工作幅宽 | 允许变化 | 变化幅度≤10% | / |
| 8 | 割刀型式 | 不允许变化 | / | / |
| 9 | 拨禾轮型式 | 不允许变化 | / | / |
| 10 | 脱粒机构布置方式 | 不允许变化 | / | / |
| 11 | 主脱粒滚筒数量 | 不允许变化 | / | / |
| 12 | 副脱粒滚筒数量 | 不允许变化 | / | / |
| 13 | 主脱粒滚筒型式 | 不允许变化 | / | / |
| 14 | 副脱粒滚筒型式 | 不允许变化 | / | / |
| 15 | 主脱粒滚筒外形尺寸(外径×长) | 允许变化 | 变化幅度≤10% | / |
| 16 | 副脱粒滚筒外形尺寸(外径×长) | 允许变化 | 变化幅度≤10% | / |
| 17 | 凹板筛型式 | 不允许变化 | / | / |
| 18 | 复脱方式 | 不允许变化 | / | / |
| 19 | 风扇型式 | 不允许变化 | / | / |
| 20 | 风扇数量 | 不允许变化 | / | / |
| 21 | 履带节距 | 不允许变化 | / | / |
| 22 | 履带节数 | 允许变化 | 变化幅度≤5%,不允许变小 | / |
| 23 | 履带宽度 | 允许变化 | 不允许变小 | / |
| 24 | 履带轨距 | 允许变化 | 变化幅度≤10%,不允许变小 | / |
| 25 | 理论直行碾压率 | 允许变化 | 不允许变大 | / |
| 26 | 粮箱容积 | 允许变化 | 变化幅度≤5% | / |
| 27 | 变速机构型式 | 不允许变化 | / | / |
| 28 | 茎秆切碎器型式 | 不允许变化 | / | / |
| 29 | 茎秆抛撒器型式 | 不允许变化 | / | / |
| 30 | 驾驶室类型 | 不允许变化 | / | / |
| 31 | 卸粮方式 | 不允许变化 | / | / |
| 注1:型号名称原则上不允许变化,如确需变化,按相关规定申报办理。
注2:配套发动机功率、转速变化应满足:收获机配套的所有发动机最大功率差不超过试验样机功率的10%,最大转速差不超过试验样机转速的5%。 |
||||
6.2 产品结构和特征参数的变更符合表6要求的,企业自主变更并保存变更批准文件。为鼓励产品技术升级,未列入表6的其他结构和特征参数,企业可自主变更。
6.3 因执行国家法律法规提出的新要求或强制性标准新要求而造成产品结构和特征参数变化,与表6要求不一致的,应申报变更确认。
附 录 A
(规范性附录)
产品规格表
序号 |
项目 |
单位 |
设计值 |
| 1 | 型号名称 | / | |
| 2 | 结构型式 | / | |
| 3 | 整机质量 | kg | |
| 4 | 喂入量 | kg/s | |
| 5 | 作业小时生产率 | hm2/h | |
| 6 | 配套发动机标定功率 | kW | |
| 7 | 配套发动机标定转速 | r/min | |
| 8 | 整机外形尺寸(长×宽×高) | mm | |
| 9 | 最小离地间隙 | mm | |
| 10 | 割台布置方式 | / | |
| 11 | 割台工作幅宽 | mm | |
| 12 | 割刀型式 | / | |
| 13 | 拨禾轮型式 | / | |
| 14 | 留茬高度控制装置 | / | |
| 15 | 脱粒机构布置方式 | / | |
| 16 | 主脱粒滚筒数量 | 个 | |
| 17 | 副脱粒滚筒数量 | 个 | |
| 18 | 主脱粒滚筒型式 | / | |
| 19 | 副脱粒滚筒型式 | / | |
| 20 | 主脱粒滚筒外形尺寸(外径×长度) | mm | |
| 21 | 副脱粒滚筒外形尺寸(外径×长度) | mm | |
| 22 | 凹板筛型式 | / | |
| 23 | 复脱方式 | / | |
| 24 | 风扇型式 | / | |
| 25 | 风扇数量 | 个 | |
| 26 | 履带型式 | / | |
| 27 | 履带节距 | mm | |
| 28 | 履带节数 | 节 | |
| 29 | 履带宽度 | mm | |
| 30 | 履带轨距 | mm | |
| 31 | 理论直行碾压率 | / | |
| 32 | 粮箱容积 | m3 | |
| 33 | 变速机构型式 | / | |
| 34 | 制动器型式 | / | |
| 35 | 茎秆切碎器型式 | / | |
| 36 | 茎秆抛撒器型式 | / | |
| 37 | 北斗智能监测终端与辅助驾驶系统 | / | |
| 38 | 机收损失率监测装置 | / | |
| 39 | 驾驶室类型 | / | □无驾驶室 □简易式 □普通式 □封闭式 |
| 40 | 卸粮方式 | / | □人工接粮 □机械自动卸粮 |
制造商负责人: (公章) 年 月 日
附 录 B
(规范性附录)
用户调查表

_________________________________


