消防员国家职业技能标准
(2022年版)
1、职业概况
1.1 职业名称:消防员
1.2 职业编码:3-02-03-01
1.3 职业定义:在国家综合性消防救援队、专职消防队及其他消防组织中,从事火灾扑救、灾害事故抢险救援、消防通信保障、接警调度、消防装备操作与维护、搜救犬训导等工作的人员。
1.4 职业技能等级:本职业共设五个等级,分别为:五级/初级工、四级/中级工、三级/高级工、二级/技师、一级/高级技师。
1.5 职业环境条件:室内、外及坍塌建(构)筑物、受限空间、高空、地下、水域、山地、交通工具、危险化学品生产储存等各种需要开展火灾扑救和应急救援行动,以及受理警情、调度指挥灭火救援行动的环境或场所。工作环境危险、条件恶劣,常为高温、高寒、浓烟、缺氧、有毒、有害、易燃、易爆、粉尘、噪声、潮湿、辐射等环境。
1.6 职业能力特征:具有较好的观察、分析、判断、表达和计算能力,空间感、形体知觉、色觉、视觉、嗅觉、听觉正常,四肢健全,手指、手臂灵活,动作协调、反应敏捷,心理素质稳定。
1.7 普通受教育程度:高中毕业(或同等学力)。
1.8 职业技能鉴定要求
1.8.1 申报条件
1、具备以下条件之一者,可申报五级/初级工:
- 累计从事本职业或相关职业工作1年(含)以上。
- 本职业或相关职业实习期满。
2、具备以下条件之一者,可申报四级/中级工:
- 取得本职业或相关职业五级/初级工职业资格证书(技能等级证书)后,累计从事本职业或相关职业工作4年(含)以上。
- 累计从事本职业或相关职业工作6年(含)以上。
- 取得技工学校本专业或相关专业毕业证书(含尚未取得毕业证书的在校应届毕业生);或取得经评估论证、以中级技能为培养目标的中等及以上职业学校本专业或相关专业毕业证书(含尚未取得毕业证书的在校应届毕业生)。
3、具备以下条件之一者,可申报三级/高级工:
- 取得本职业或相关职业四级/中级工职业资格证书(技能等级证书)后,累计从事本职业或相关职业工作5年(含)以上。
- 取得本职业或相关职业四级/中级工职业资格证书(技能等级证书),并具有高级技工学校、技师学院毕业证书(含尚未取得毕业证书的在校应届毕业生);或取得本职业或相关职业四级/中级工职业资格证书(技能等级证书),并具有经评估论证、以高级技能为培养目标的高等职业学校本专业或相关专业毕业证书(含尚未取得毕业证书的在校应届毕业生)。
- 具有大专及以上本专业或相关专业毕业证书,并取得本职业或相关职业四级/中级工职业资格证书(技能等级证书)后,累计从事本职业或相关职业工作2年(含)以上。
4、具备以下条件之一者,可申报二级/技师:
- 取得本职业或相关职业三级/高级工职业资格证书(技能等级证书)后,累计从事本职业或相关职业工作4年(含)以上。
- 取得本职业或相关职业三级/高级工职业资格证书(技能等级证书)的高级技工学校、技师学院毕业生,累计从事本职业或相关职业工作3年(含)以上;或取得本职业或相关职业预备技师证书的技师学院毕业生,累计从事本职业或相关职业工作2年(含)以上。
5、具备以下条件者,可申报一级/高级技师:
- 取得本职业或相关职业二级/技师职业资格证书(技能等级证书)后,累计从事本职业或相关职业工作4年(含)以上。
1.8.2 鉴定方式
分为理论知识考试、技能考核以及综合评审。理论知识考试以笔试、机考等方式为主,主要考核从业人员从事本职业应掌握的基本要求和相关知识要求;技能考核主要采用现场操作、模拟操作等方式进行,主要考核从业人员从事本职业应具备的技能水平;综合评审主要针对技师和高级技师,通常采取审阅申报材料、答辩等方式进行全面评议和审查。
理论知识考试、技能考核和综合评审均实行百分制,成绩皆达60分(含)以上者为合格。职业标准中标注“★”的为涉及安全生产或操作的关键技能,如考生在技能考核中违反操作规程或未达到该技能要求的,则技能考核成绩为不合格。
1.8.3 监考人员、考评人员与考生配比
理论知识考试中的监考人员与考生配比不低于1:15,且每个考场不少于2名监考人员;技能考核中的考评人员与考生配比为1:5,且考评人员为3人(含)以上单数;综合评审委员为3人(含)以上单数。
1.8.4 鉴定时间
理论知识考试时间不少于90min;技能考核时间:五级/初级工、四级/中级工不少于60min,三级/高级工不少于90min,二级/技师、一级/高级技师不少于120min;综合评审时间不少于30min。
1.8.5 鉴定场所设备
理论知识考试在标准教室(或计算机机房)进行;技能考核在满足消防员技能操作鉴定条件的场所进行。
2、基本要求
2.1 职业道德
2.1.1 职业道德基本知识
2.1.2 职业守则
(1)生命至上,救人第一。
(2)钻研业务,科学施救。
(3)服从指挥,团结协作。
(4)忠于职守,竭诚奉献。
2.2 基础知识
2.2.1 消防工作概述
(1)消防工作的性质和任务。
(2)消防工作的方针和原则。
2.2.2 燃烧与火灾基本知识
(1)燃烧基础知识。
(2)火灾的定义和分类。
(3)火灾的发生及发展过程。
(4)防火与灭火的基本原理。
2.2.3 危险化学品基本知识
(1)危险化学品的分类。
(2)常见危险化学品的危险特性。
2.2.4 安全防护基本知识
(1)训练安全知识。
(2)灭火救援安全知识。
2.2.5 火灾扑救基本知识
(1)火灾扑救的基本程序。
(2)火灾扑救的基本方法。
2.2.6 抢险救援基本知识
(1)灾害事故的种类及特点。
(2)抢险救援的基本程序及方法。
2.2.7 消防通信基本知识
(1)消防通信的基本概念与原理。
(2)消防通信技术。
(3)消防信息系统基本知识。
2.2.8 消防装备基本知识
(1)个人防护装备的分类。
(2)灭火器材的分类。
(3)抢险救援器材的分类。
(4)消防车的分类。
(5)消防通信装备的分类。
2.2.9 相关法律、法规知识
(1)《中华人民共和国劳动法》相关知识。
(2)《中华人民共和国消防法》相关知识。
(3)《中华人民共和国突发事件应对法》相关知识。
(4)《中华人民共和国安全生产法》相关知识。
(5)《中华人民共和国道路交通安全法》相关知识。
(6)《危险化学品安全管理条例》相关知识。
(7)消防站(队)建设标准相关知识。
3、工作要求
本标准对五级/初级工、四级/中级工、三级/高级工、二级/技师、一级/高级技师的技能要求和相关知识要求依次递进,高级别涵盖低级别的要求。
根据实际情况,本职业分为六个职业方向:灭火救援员、消防通信员、接警调度员、搜救犬训导员、消防车驾驶员、消防装备维护员。
(略,详情可下载附件查看)
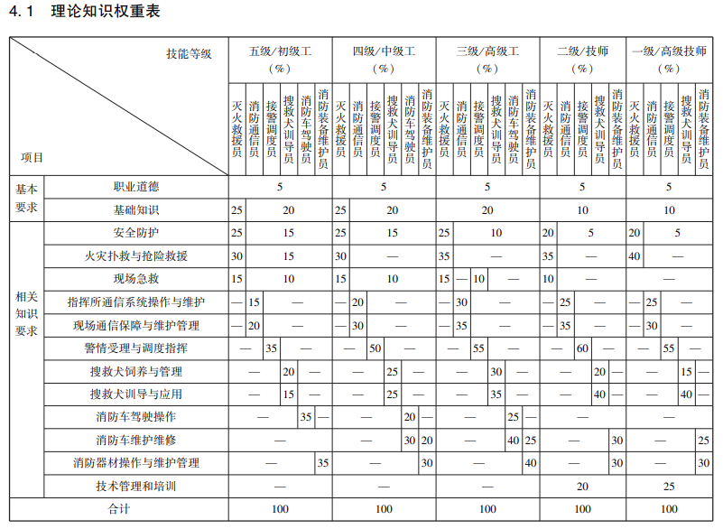
4、权 重 表

理论知识权重表

技能要求权重表
注:
- 相关职业:人民警察、保卫管理员、消防指挥员、消防装备管理员、消防安全管理员、消防监督检查员、消防设施操作员、森林消防员、森林火情瞭望观察员、应急救援员、保安员、安全员。
- 相关专业:消防工程、消防指挥、核生化消防、抢险救援指挥与技术、抢险救援、救援技术、消防工程技术、森林消防、自动化、通信工程、信息工程、电子信息工程、通信指挥、电子信息工程技术、应用电子技术、计算机应用技术、计算机网络技术、计算机信息管理、计算机系统与维护、软件技术、软件与信息服务、信息安全与管理、通信技术、移动通信技术、通信系统运行管理、物联网工程技术、大数据技术与应用、公共安全管理、数据计算及应用、信息管理与信息系统、应用统计学、应急技术与管理、应急管理、警犬技术、机械工程、车辆工程。



谢谢?分享
谢谢
谢谢
谢谢楼主
谢谢楼主!
谢谢楼主!
楼主给力!!
Good